1, 斗式提升機 技術要求:鑄件應符合GB/T 1348、GB/T 9439、GB/T 11352 的規定,鍛件不應有夾層,折疊,裂紋,鍛傷,結疤,夾渣等缺陷.主要零部件的技術要求:鑄造鏈輪應進行內應力處理,內孔及工
1,斗式提升機技術要求:鑄件應符合GB/T 1348、GB/T 9439、GB/T 11352 的規定, 鍛件不應有夾層,折疊,裂紋,鍛傷,結疤,夾渣等缺陷.主要零部件的技術要求:鑄造鏈輪應進行內應力處理,內孔及工作表面不得有砂眼,其余表面經加工或清砂后,砂眼和 大面積不大于表1規定時,可不焊補;砂眼面積大于表1 規定,而小于表面積的5%時,應予以填料修補.一般技術要求:提升機應符合JB/T 3926 的要求,未焊透,未熔合,咬肉,
等缺陷,焊縫外觀不得有裂紋,夾渣,氣孔.推薦閱讀:斗式提升機操作規程,
傳動滾筒表面應光滑,不得有影響使用性能的裂紋,凹坑,焊接不良及其他缺陷.傳動滾筒外徑對軸線的全跳動應按GB/T 1184中9 級的規定;滾筒壁厚差和 小壁厚應符合表2 的規定.產品推薦:TD型斗式提升機.鑄造鏈輪輪輻上的氣孔或砂眼,不得大于輪輻厚度的1/10,面積不得大于平方的2 倍,每個輪輻上只允許有一處砂眼,每個鏈輪只允許有兩處砂眼.

雙列套筒滾子鏈傳動的鏈輪應符合下列要求:弦節距尺寸公差為Js12;根圓尺寸公差為h11;軸孔尺寸公差為H8;根圓及齒側平面對孔軸線的圓跳動及端面圓跳動為0.001d 根+0.1mm(d 根為根圓直徑);鍵槽兩側面對齒形對稱中心平面的對稱度應按GB/T 1184 中11 級規定;齒形表面熱處理硬度45~48HRC,硬化層不小于2mm.圓環鏈的技術要求應符合MT/T 36 的規定.產品推薦:TH系列斗式提升機,套筒滾子鏈應符合下列要求:鏈條在測量力為破斷載荷的1/50;測量長度不小于3000mm時的偏差為% 25 . 0 0,鏈條節距尺寸公差為Js12;鏈條破斷載荷應滿足JB/T 3926.1 的要求;銷軸的表面熱處理硬度為50~55HRC,套筒的表面熱處理硬度為45~50HRC;滾子的整體熱處理硬度為40~45HRC;g) 內、外鏈板表面平面度應按GB/T 1184 中12 級的規定.3. 2. 5 拉緊滾筒外徑上扁鋼對稱中心線相對于軸線的角度偏差不大于0.5°,尼龍心橡膠運輸帶的徑向扯斷強度不小于2kN/ (cm·層),徑向扯斷伸長率不得超過25%;普通橡膠運輸帶的徑向扯斷強度應不小于560N/ (cm·層),徑向扯斷伸長率不得超過20%.提升機的機殼應符合下列要求:每節機殼表面平面度應符合表3 的規定;
機殼上,下法蘭面平行度應符合GB/T 1184 中12 級的規定; 機殼高度尺寸公差為h13; 機殼中心線對法蘭的垂直度應符合GB/T 1184 中12 級的規定;法蘭面相鄰螺栓孔間距偏差為±0.8mm,累積偏差為±1.5mm.安裝技術要求:整機安裝應符合下列要求:主軸對水平面的平行度為0.3/1000;產品推薦:DZC系列垂直振動提升機主軸與驅動裝置低速軸的同軸度應符合GB/T 1184 中9 級的規定;單鏈,膠帶提升機上,下軸安裝要求(見圖1、圖2)應符合表4 的規定(B 為機殼內 大可測
距離);上,下鏈輪(滾筒)組裝配后,用手轉動應輕便靈活.拉緊裝置調整應靈活,在牽引件安裝和調整好后,未被利用的行程應不小于全行程的50%.提升機牽引膠帶接頭處徑向承載能力應不低于膠帶徑向扯斷強度.

雙鏈提升機上,下軸安裝要求(見圖3)應符合表5 的規定;

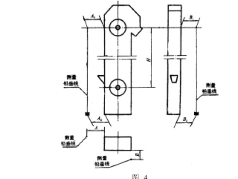
機殼垂直度和扭曲度(見圖4)應符合表6 的規定;

上部區段,中部機殼,下部區段和檢視門應密封.油漆:油漆外觀要求均勻,平整,色調一致,復蓋完整,不應有刷痕起皮,堆積和起泡等缺陷.外露加工配合面應涂以防銹油脂;外露加工非配合面應涂以防銹油漆.提升機各部件涂漆前 用機械或化學方法進行表面處理,各種污物.各部件均應涂以酚醛底漆,機身外部表面涂以灰漆.產品推薦:GTD 斗式提升機
2范圍:本標準適用于TD型,TH型,TB 型垂直斗式提升機(以下簡稱提升機)3引用標準:
下列標準所包含的條文,通過在本標準中引用而構成為本標準的條文.本標準出版時,所示版本均
為.所有標準都會被修訂,使用本標準的各方應探討使用下列標準 新版本的可能性.
GB/T 11352—1989 一般工程用鑄造碳鋼件
GB/T 13306—1991 標牌
GB/T 13384—1992 機電產品 包裝通用技術條件
JB/T 3926.1—1999 垂直斗式提升機 型式與基本參數
MT/T 36—1980 礦用圓環鏈GB/T 1184—1996 形狀和位置公差 未注公差值
GB/T 1348—1988 球墨鑄鐵件
GB/T 9439—1988 灰鑄鐵件
4 檢驗規則:產品 經制造廠質量檢查部門檢查合格,應有合格證明文件才能出廠.提升機允許在使用現場進行空載和負載試運轉,在制造廠于對高度在10m以下整機進行2h
的空載試運轉,其數量按成批生產的5%抽試,但至少不少于1 臺.如抽試不合格,則加倍抽試;加倍
抽試不合格則逐臺測試.空載試運轉要求,牽引件應運轉正常,無卡,跳鏈,打滑,偏移現象;雙列套筒滾子鏈提升機的兩根鏈條應同在距離提升機5m 處,噪聲不超過85dB(A).4. 時進入嚙合;機器運轉應平穩,,緊固件無松動現象;運轉2h 后,軸承溫升不大于60℃,潤滑密封性能良好;減速器無滲油,無沖擊聲,聯軸器 ;電器設備安裝;空載功率應不超過額定功率的30%.負載試運轉要求, 滿載運轉時,牽引件應不打滑,電動機應不超載;電器控制,電動機,減速器,逆止器運轉平穩;在遵守運,保管,安裝和使用,維護要求的條件下,自發貨之日起十八個月內,產品因制造質
量不良而發生損壞或不能正常工作時,制造廠應免費為用戶修理或 換零部件.提升機在滿足設計要求的條件下工作正常, 大輸送量應達到設計要求;卸料情況良好,無顯著回料現象;制造廠名稱, 每臺提升機應隨機附帶下列技術文件:產品合格證明書;產品使用說明書;裝箱單.使用單位收貨后,應對各零部件進行清理,分類和檢查,妥善保管,不應露天堆放,以免銹蝕,損壞.包裝,標志和貯運,提升機的包裝按GB/T 13384 的規定.推薦閱讀:斗式提升機的應用范圍 電器,電動機包裝應加有裝置.主機包裝應不變形,不散露,便于運輸.發運前應在提升機的各段部件,殼體上標明收貨單位,到站及制造廠名稱,發站,同臺產品的各部件,附件,配套件應一次發運.提升機應在明顯的規定位置上固定產品標牌,標牌型式及尺寸應符合GB/T 13306 的規定.其上應標明:產品名稱,型號;主要技術參數:輸送量,功率,提升高度,整機重量;出廠編號及日期;